ID Lokasi : PLG1610022020T017
SUMATERA SELATAN, KOTA PALEMBANG, Sematang Borang, Sukamulya
PT SRIWIJAYA ANUGERAH PRATAMA
REAL ESTATE INDONESIA
(REI)
Subsidi : 0 Unit
Terjual Subsidi : 45 Unit
Komersil : 0 Unit
Terjual Komersil : 0 Unit
Lihat Siteplan Digital




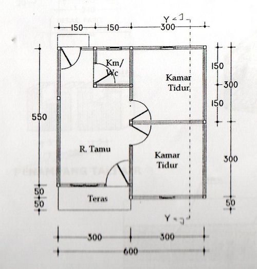
Harga: Rp 150.500.000
Luas Bangunan: 36m 2
Luas Lahan: 96m 2
Kamar Tidur: 2
Kamar Mandi: 1
a. Atap
Rangka Atap Baja Ringan, Atap metal Multi Roof
b. Dinding
Dinding Bataco Diplaster Bagian Luar dan Dalam, Dinding Bagian Luar Dicat
c. Lantai & Pondasi
Keramik & Batubata dengan Sloof Beton Bertulang